BUTT FUSION FITTINGS
  ELECTRO- FUSION FITTINGS
  SOCKET FUSION FITTINGS
  PE/STEEL TRANSITION PIPES
  PE VALVES
  TOOLS OF BRANCH SADDLE
  NEW PRODUCTS
  SIPHONIC ELECTROFUSION COUPLERS
 
Address:
No.130 West Genta Road, Zhuji, Zhejiang, China﹛﹛
Telphone: 86-575-87105788﹛
Fax: 86-575-87105781﹛
Mobile: 86-13906857480
E-mail: jointhand@jointhand.net
Map of Area
BUTT FUSION FITTINGS
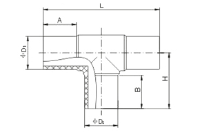
Butt Fusion Equal Tee

  |米 D1 x |米 D2 x |米 D1

 L

 A

 B

 H

 50 x 50 x 50

 170

 55

 55

 90

 63 x 63 x 63

 205

65 

 65

 105

 75 x 75 x 75

 230

 65

 65

 120

 90 x 90 x 90

 265

 80

 80

 130

 110 x 110 x 110

 300

 82

 82

 150

 125 x 125 x 125

 320

 85

 85

 160

 140 x 140 x 140

 350

 92

 92

 170

 160 x 160 x 160

 325

 75

 75

 170

 180 x 180 x 180

 440

 105

 105

 200

200 x 200 x 200

 380

 75

 85

 200

225 x 225 x 225

 430

 90

 90

 210

 250 x 250 x 250

 520

 95

 95

 260

 280 x 280 x 280

 590

 140

 140

 300

 315 x 315 x 315

 615

 120

 105

 310

 355 x 355 x 355

 630

120

 120

 350

 400 x 400 x 400

 670

 120

 120

 360

 
Copyright © 2006-2007 by Jointhand Industrial CO., Ltd.
All right reserved 涳ICP掘11021697瘍