| |
Address:
No.130 West Genta Road, Zhuji, Zhejiang, China¡¡¡¡
Telphone:
86-575-87105788¡¡
Fax: 86-575-87105781¡¡
Mobile: 86-13906857480
E-mail: jointhand@jointhand.net
Map of Area |
|
| ¡¡PE/STEEL TRANSITION PIPES |
| Nylon Coated Flange Plate |
|
 |
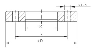
| Specifications |
|¦Ì D |
|¦Ì d |
K |
|¦Ì E |
n |
| In PE |
In Standard |
| 40 |
32 |
130 |
47 |
100 |
18 |
4 |
| 50 |
40 |
140 |
57 |
110 |
18 |
4 |
| 63 |
50 |
155 |
70 |
125 |
18 |
4 |
| 75 |
65 |
177 |
82 |
145 |
18 |
4 |
| 90 |
80 |
190 |
97 |
160 |
18 |
8 |
| 110 |
100 |
212 |
117 |
180 |
18 |
8 |
| 125 |
100 |
212 |
132 |
180 |
18 |
8 |
| 140 |
125 |
240 |
147 |
210 |
18 |
8 |
| 160 |
150 |
277 |
167 |
240 |
22 |
8 |
| 180 |
150 |
277 |
187 |
240 |
22 |
8 |
| 200 |
200 |
330 |
207 |
295 |
22 |
8 |
| 225 |
200 |
330 |
232 |
295 |
22 |
8 |
| 250 |
250 |
385 |
257 |
350 |
22 |
12 |
| 280 |
250 |
385 |
287 |
350 |
22 |
12 |
| 315 |
300 |
440 |
325 |
400 |
22 |
12 |
| 355 |
350 |
500 |
365 |
460 |
22 |
16 |
| 400 |
400 |
560 |
410 |
515 |
26 |
16 |
| 450 |
450 |
610 |
460 |
565 |
26 |
20 |
| 500 |
500 |
665 |
510 |
620 |
26 |
20 |
| 560 |
600 |
775 |
570 |
725 |
26 |
20 |
| 630 |
600 |
775 |
640 |
725 |
30 |
20 |
|
710 |
700 |
890 |
720 |
840 |
30 |
24 |
|
800 |
800 |
1010 |
815 |
950 |
33 |
24 |
|
900 |
900 |
1110 |
915 |
1050 |
33 |
28 |
|
1000 |
1000 |
1220 |
1015 |
1160 |
36 |
28 |
|